other
热门产品
  • YJV-0.6/1KV 4X185mm²
    YJV-0.6/1KV 4X185mm²

    YJV-0.6/1KV 4X185mm²

    查看详细
  • 信号电缆,计算机电缆,控制电缆,电力电缆,动力电缆
    信号电缆,计算机电缆,控制电缆,电力电缆,动力电缆

    本产品适用于高温、低温和酸、碱、油、水以及有腐蚀气体的环境中作电器仪表和自动化控制系统的信号传输线。 广泛用于石油、冶金、电力、石化等企业。

    查看详细
  • YJV22 3×120 8.7/15KV高压电缆 10-35KV
    YJV22 3×120 8.7/15KV高压电缆 10-35KV

    交联聚乙烯绝缘电缆适用于配电网、 工业装置成其它需要大容量用电领域, 用于固定敷设在交流5 0 H Z ,额定电压 1 k v 电力输配电线路上,主要功能是输送电能。本厂生产的额定电压1 k v - 3 5 k V 交 联聚乙烯绝缘电力电缆,其性能完全符合标准G B 1 2 7 0 6 和 I E C 6 0 5 0 2 及 I E C 6 0 8 4 0 , 并且已形成系列,即阻燃型的,耐寒型的和防水型的电力电缆。在阻燃型系列产品中,成功地

    查看详细
  • 高压电缆 ZR-YJV22 26/35KV 3×400
    高压电缆 ZR-YJV22 26/35KV 3×400

    1、电缆的额定电压:U0/U=26/35KV(Um=40.5KV) 2、电缆导体的高工作温度为90℃ 3、短路时(长持续时间不超过5S),电缆导体高温度不超过250℃ 4、对于正确安装敷设的电缆,正常运行条件下,其运行寿命至少为30年以上 5、电缆的敷设温度不低于0℃ 6、电缆的较小弯曲半径:三芯电缆不小于电缆外径的15倍;单芯电缆不小于电缆外径的20倍

    查看详细
  • WDZA-YJY-3×240+1×120低压电缆 0.6/1KV
    WDZA-YJY-3×240+1×120低压电缆 0.6/1KV

    交联聚乙烯绝缘电缆适用于配电网、 工业装置成其它需要大容量用电领域, 用于固定敷设在交流5 0 H Z ,额定电压 1 k v 电力输配电线路上,主要功能是输送电能。本厂生产的额定电压1 k v - 3 5 k V 交 联聚乙烯绝缘电力电缆,其性能完全符合标准G B 1 2 7 0 6 和 I E C 6 0 5 0 2 及 I E C 6 0 8 4 0 , 并且已形成系列,即阻燃型的,耐寒型的和防水型的电力电缆。在阻燃型系列产品中,成功地

    查看详细

8根线网线怎么接,8根线网线怎么接rs485

日期:2023-03-17 人气:5

8根线网线怎么接,8根线网线怎么接rs485

RS485总线由于其成本低廉,设计简单而得到了广泛的应用,大量用于安防监控,智能交通,智能楼宇,机房监控,工业自动化等各个领域。RS485总线敷设线路比较简单,但是有一些相应的事项必须注意,否则会容易导致通信失败,后期维护工作非常浩大。以下小编整理出来的485布线规范所需要注意的地方:

8根线网线怎么接,8根线网线怎么接rs485

RS485布线注意:

1、线材问题

485总线布线使用的线材必须要使用屏蔽双绞线,线径最好在0.75或者1.0线径的,很多人在施工的时候为了图方便,直接使用网线作为485线使用,网线具有八根线,而485线只需要使用两根线或者四根线,其他线浪费了,而且现在的网线的线径相对都比较细,并不能完全满足485总线通信需求,建议不要使用网线。

8根线网线怎么接,8根线网线怎么接rs485

还有不能使用平行线,同轴电缆或者不带屏蔽层的双绞线,由于485是差分平衡传输,使用双绞线可以有效地抵消外部干扰对其的影响,485线路一定不能使用平行线,同样的道理,由于屏蔽层具有屏蔽外部干扰的作用,最好要使用带屏蔽层的双绞线。

2、布线问题

485总线的走线要尽量远离干扰源,在施工过程中,有很多人为了省事,将485线路与电源线路一起走线,这样是不合理的,电源线会产生干扰,导致485通信不稳定,还有就是485布线必须远离类似于变压器,变频器等强电压干扰源。

8根线网线怎么接,8根线网线怎么接rs485

3、总线拓扑问题

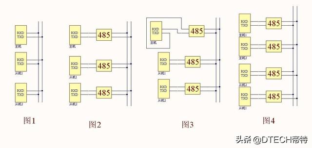
由于现场环境复杂,485设备分布一般都比较散乱,施工人员为图方便,没有按照485规范将线路布设成手牵手菊花链总线式拓扑结构,而是随意布设成星型,树型甚至多种拓扑结构混合型的,留出太多太长的分支。

在实际应用中,单纯的星型,树型拓扑结构甚至混合拓扑结构有的时候也是可以使用的,但是通信肯定会不稳定,如果一定要布设星型,树型拓扑结构的话,建议使用485集线器和485中继器,相关的应用可以参考485总线拓扑结构问题页面。

8根线网线怎么接,8根线网线怎么接rs485

4、接地问题

在485总线布线规范里面,强调需要单点可靠接地,但是在实际施工中,485总线接地有时反而会起到反作用。由于485布线需要手牵手菊花链方式连接,使用的屏蔽双绞线肯定都会被剪断连接在485设备上,而一般大多都会利用外面的屏蔽层作为地线,如果没有将屏蔽层做良好的连接的话,接地反而可能会导致485信号不稳定,所以485线路接地必须是单点可靠接地。

8根线网线怎么接,8根线网线怎么接rs485

严格几个RS485布线规范:

485+和485-条数据线一定要互为双绞。

布线一定要布多股屏蔽双绞线,多股是为了备用,屏蔽是为了出现特殊情况时调试,双绞是因为485通讯采用差模通讯原理,双绞的抗干扰性最好。不采用双绞线,是极端错误的。

485总线一定要是手牵手式的总线结构,坚决杜绝星型连接和分叉连接。

设备供电的交流电及机箱一定要真实接地,而且接地良好。

8根线网线怎么接,8根线网线怎么接rs485

有很多地方表面上有三角插座,其实根本没有接地,要小心。接地良好时,可以确保设备被雷击浪涌冲击静电累计时可以配合设备的防雷设计较好地释放能量。保护485总线设备和相关芯片不受伤害。

避免和强电走在一起,以免强电对其干扰。

推荐几个RS485总线调试方法:

首先要确保设备接线正确,且严格合乎规范。

共地法:用1条线或者屏蔽线将所有485设备的GND地连接起来,这样可以避免所有设备之间存在影响通讯的电势差。

终端电阻法:在最后一台485设备的485+和485-上并接120欧姆的终端电阻来改善通讯质量。

中间分段断开

法:通过从中间断开来检查是否是设备负载过多通讯距离过长某台设备损害对整个通讯线路的影响等原因。

8根线网线怎么接,8根线网线怎么接rs485

单独拉线法:单独简易暂时拉一条线到设备,这样可以用来排除是否是布线引起了通讯故障。

更换转换器法:随身携带几个转换器,这样可以排除是否是转换器质量问题影响了通讯质量。

笔记本调试法:先保证自己随身携带的电脑笔记本是通讯正常的设备,替换客户电脑,来进行通讯,如果可以,则表明客户的电脑的串口有可能被损害或者受伤。

(来源:网络)

新亨通电线电缆有限公司 版权所有 © 2008-2025 Inc.  网站地图 电缆制造 Cable 电缆批发 电缆直销 电缆 广告设计